Каталог
Каталог Написать в WhatsApp
Мотоэкипировка

Аксессуары 2-х тактного ПЛМ MERCURY 25 М Серийный номер от 0N018456 до 0N055504

Аксессуары 2-х тактного ПЛМ MERCURY 25 М Серийный номер от 0N018456 до 0N055504 в Красноярске: актуальный каталог, цены, фото, описание. Купите аксессуары 2-х тактного плм mercury 25 м серийный номер от 0n018456 до 0n055504 в кредит – оформите заявку онлайн за 1 минуту!

Оригинальные запчасти

Артикул НАИМЕНОВАНИЕ Кол-во деталей в узле Примечание Наличие Цена Аналоги Фото
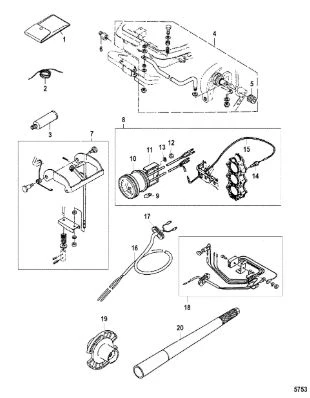
1 953992 TOOL KIT

Под заказ

1

Под заказ

уточнить

Купить
2 812639003 ROPE, Starter Safety

Под заказ

1

Под заказ

уточнить

Купить
3 16841Q02 FLUSHING KT @2

Под заказ

1

Под заказ

уточнить

Купить
4 853824A1 Поворотный кронштейн (DRAG LINE)

Под заказ

1

Под заказ

уточнить

Купить
5 853825 Колпачок (CAP)

Под заказ

1

Под заказ

уточнить

Купить
6 853826 SPACER

Под заказ

1

Под заказ

уточнить

Купить
7 853827A02 LOCK KIT, Reverse

Под заказ

1

Под заказ

уточнить

Купить
8 804632T01 GAUGE-TEMP

Под заказ

1

Под заказ

уточнить

Купить
9 804634 BULB

Под заказ

1

Под заказ

уточнить

Купить
10 802613 DAMPER

Под заказ

1

Под заказ

уточнить

Купить
11 804635 BRACKET

Под заказ

1

Под заказ

уточнить

Купить
12 168181 LOCKWASHER

Под заказ

2

Под заказ

уточнить

Купить
13 804636 Датчик (SENDER)

Под заказ

1

Под заказ

уточнить

Купить
14 804637 LEAD WIRE

Под заказ

1

Под заказ

уточнить

Купить
15 17175 Проводка (HARNESS)

Под заказ

1

Под заказ

уточнить

Купить
16 162313 GROMMET

Под заказ

1

Под заказ

уточнить

Купить
17 8M0123939 Выпрямитель (RECTIFIER KIT)

Под заказ

1

Под заказ

уточнить

Купить
18 8537906 TEST PROPELLER

Под заказ

1

Под заказ

уточнить

Купить
19 853828 HANDLE

Под заказ

1

Под заказ

уточнить

Купить
20 8538281 HANDLE

Под заказ

1

Под заказ

уточнить

Купить
21 8M0136142 HANDLE KIT

Под заказ

1

Под заказ

уточнить

Купить
22 832586A3 TILLER HANDLE KIT

Под заказ

1

Под заказ

уточнить

Купить

Нулевая цена не означает отсутствие товара. Оформите заказ, и менеджер сообщит вам цену и наличие товара, предварительно запросив их у поставщика

Главная Магазины
Корзина0
Профиль