Каталог
Каталог Написать в WhatsApp
Мотоэкипировка

Компоненты корпуса редуктора 2-Х ТАКТНОГО ПЛМ MERCURY 4 M Серийный номер от 0T894439 и выше

Компоненты корпуса редуктора 2-Х ТАКТНОГО ПЛМ MERCURY 4 M Серийный номер от 0T894439 и выше в Красноярске: актуальный каталог, цены, фото, описание. Купите компоненты корпуса редуктора 2-х тактного плм mercury 4 m серийный номер от 0t894439 и выше в кредит – оформите заявку онлайн за 1 минуту!

Оригинальные запчасти

Артикул НАИМЕНОВАНИЕ Кол-во деталей в узле Примечание Наличие Цена Аналоги Фото
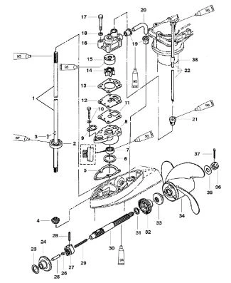
1 8M0122306 GEAR HOUSING 2S S

Под заказ

N/A

Под заказ

уточнить

Купить
2 8M0122307 GEAR HOUSING 2S L

Под заказ

N/A

Под заказ

уточнить

Купить
3 8M0122308 GEAR HOUSING

Под заказ

N/A

Под заказ

уточнить

Купить
4 8M0134073 GASKET SET

Под заказ

N/A

Под заказ

уточнить

Купить
5 16159A03 Рем. набор помпы F4-F6 (REPAIR KIT-W/P)

Под заказ

N/A

Под заказ

уточнить

Купить
6 8M0076368 Приводной вал (DRIVESHAFT)

Под заказ

N/A

Под заказ

уточнить

Купить
7 8M0076367 Вал приводной (DRIVESHAFT)

Под заказ

N/A

Под заказ

уточнить

Купить
8 95347 Шарикоподшипник (BEARING-BALL)

Под заказ

N/A

Под заказ

уточнить

Купить
9 16155 Шпонка (KEY)

Под заказ

N/A

Под заказ

уточнить

Купить
10 16138 Шестерня (GEAR)

Под заказ

N/A

Под заказ

уточнить

Купить
11 16164003 Прокладка (+TH#369-65020-OBO)

Под заказ

N/A

Под заказ

уточнить

Купить
12 161631 Прокладка (SHIM)

Под заказ

N/A

Под заказ

уточнить

Купить
13 8132761 Прокладка (SHIM)

Под заказ

N/A

Под заказ

уточнить

Купить
14 16162 Сальник (SEAL)

Под заказ

N/A

Под заказ

уточнить

Купить
15 826053T Корпус (HOUSING Lower)

Под заказ

N/A

Под заказ

уточнить

Купить
16 16165 Фиксатор (RETAINER, CAM ROD BUSHING)

Под заказ

N/A

Под заказ

уточнить

Купить
17 823042 Болт (BOLT)

Под заказ

N/A

Под заказ

уточнить

Купить
18 16160004 Прокладка (+TH#369-65029-OBO)

Под заказ

N/A

Под заказ

уточнить

Купить
19 16159 Пластина основания помпы (PLATE-GUIDE)

Под заказ

N/A

Под заказ

уточнить

Купить
20 16158009 Прокладка (+TH#369-65018-OBO)

Под заказ

N/A

Под заказ

уточнить

Купить
21 161543 Крыльчатка водяного насоса (IMPELLER) от 3,3 л.с. до 6 л.с. 2-х тактные и 4-х тактные моторы

Под заказ

N/A

Под заказ

уточнить

1 990

Купить
22 16157 Втулка (LINER)

Под заказ

N/A

Под заказ

уточнить

Купить
23 16156 Корпус водяной помпы (PUMP-WATER)

Под заказ

N/A

Под заказ

уточнить

Купить
24 16826 Шайба (WASHER@10)

Под заказ

N/A

Под заказ

уточнить

Купить
25 16167 Шланг (HOSE, WATER PUMP)

Под заказ

N/A

Под заказ

уточнить

Купить
26 16171 Сальник (SEAL, LOWER WATER TUBE)

Под заказ

N/A

Под заказ

уточнить

Купить
27 16170 WATER TUBE (LONG)

Под заказ

N/A

Под заказ

уточнить

Купить
28 16169 Трубка охлаждения (WATERTUBE SHORT)

Под заказ

N/A

Под заказ

уточнить

Купить
29 16141 Регулировочное кольцо (SHIM)

Под заказ

N/A

Под заказ

уточнить

Купить
30 813277 Регулировочное кольцо (SHIM)

Под заказ

N/A

Под заказ

уточнить

Купить
31 812944 Шестерня (GEAR)

Под заказ

N/A

Под заказ

уточнить

Купить
32 16152 Кулачок (FOLLOWER-CAM)

Под заказ

N/A

Под заказ

уточнить

Купить
33 16153 Упор гребного вала (RETAINER)

Под заказ

N/A

Под заказ

уточнить

Купить
34 812946 Муфта сцепления (CLUTCH)

Под заказ

N/A

Под заказ

уточнить

Купить
35 16150 Шпонка (PIN)

Под заказ

N/A

Под заказ

уточнить

Купить
36 17667 Пружина (SPRING, CLUTCH)

Под заказ

N/A

Под заказ

уточнить

Купить
37 195133 Гребной вал (PROPSHAFT)

Под заказ

N/A

Под заказ

уточнить

Купить
38 16140 Шайба (WASHER)

Под заказ

N/A

Под заказ

уточнить

Купить
39 8129451 Шестерня (GEAR)

Под заказ

N/A

Под заказ

уточнить

Купить
40 16145Q01 Упорная шайба (THRUSTWASHER@2)

Под заказ

N/A

Под заказ

уточнить

Купить
41 812949A02 Винт Black Max, для моторов мощностью 4 л.с. Диаметр 7,8 дюйма, шаг 7 дюймов

Под заказ

N/A

Под заказ

уточнить

Купить
42 16144A01 Винт гребной (BLKMAX 8.4X6 RH 6P X 3RH) 4-6 л.с.

Под заказ

N/A

Под заказ

уточнить

Купить
43 812950A02 Винт гребной (BLKMAX 7.8X8 RH)для 4Т 5-6 л.с. Диаметр 7,8 дюйма, шаг 8дюй

Под заказ

N/A

Под заказ

уточнить

8 990

Купить
44 812951A02 Винт гребной (BLMX 8 3/8R6)

Под заказ

N/A

Под заказ

уточнить

Купить
45 16146 Шайба крепления винта 4-6 л.с. (WASHER@10)

Под заказ

N/A

Под заказ

уточнить

Купить
46 16147 Гайка винта (PROPELLER NUT)

Под заказ

N/A

Под заказ

уточнить

Купить
47 815026 Шплинт (PIN-COTTER @5)

Под заказ

N/A

Под заказ

уточнить

Купить
48 810753 GUIDE

Под заказ

N/A

Под заказ

уточнить

Купить

Нулевая цена не означает отсутствие товара. Оформите заказ, и менеджер сообщит вам цену и наличие товара, предварительно запросив их у поставщика

Главная Магазины
Корзина0
Профиль